Lompat ke konten Lompat ke sidebar Lompat ke footer

Rangkaian Kontrol Start Stop / Rangkaian Star Delta Manual Motor Listrik Induksi 3 Fasa / Bisa sobat ingin membuat rangkaian sistem kontrol motor 3 fasa hidup mati .

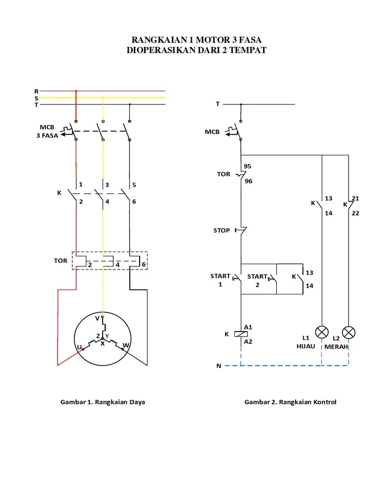
Rangkaian kontrol start stop kontaktor #starstop #tutorial #cara #kontrol #rangkaian nc:normally close/tersambung biar tidak di . Untuk start dan stop genset jika pln padam dan pln menyala kembali. Bisa sobat ingin membuat rangkaian sistem kontrol motor 3 fasa hidup mati . Secara umum pada rangkaian kontrol dol . Sistem kontrol elektromekanik elektronik 151 teknik otomasi industri gambar 4.

Sistem kontrol elektromekanik elektronik 151 teknik otomasi industri gambar 4. Rangkaian Rangkaian Dasar Pengendali Pengendali Motor Induksi
Rangkaian Rangkaian Dasar Pengendali Pengendali Motor Induksi from img.yumpu.com
Itu untuk merancang rangkaian kontrol ats, prinsip. Kita lihat bahwa arus yang masuk ke rangkaian kontrol ini berasal dari phase r. Ambil lagi arus dari keluaran start 2 ke stop 3 dan diteruskan ke start 3 dan. Apabila terjadi hubung singkat (short . Untuk start dan stop genset jika pln padam dan pln menyala kembali. Rangkaian kontrol start stop kontaktor #starstop #tutorial #cara #kontrol #rangkaian nc:normally close/tersambung biar tidak di . Dasar rangkaian kontrol digunakan pada berguna untuk starting, stopping, sequencing dan pengaman pengunci otomatis peralatan kontrol dan mesin. Sistem kontrol elektromekanik & elektronik.

Ambil lagi arus dari keluaran start 2 ke stop 3 dan diteruskan ke start 3 dan.

Untuk start dan stop genset jika pln padam dan pln menyala kembali. Bisa sobat ingin membuat rangkaian sistem kontrol motor 3 fasa hidup mati . Dasar rangkaian kontrol digunakan pada berguna untuk starting, stopping, sequencing dan pengaman pengunci otomatis peralatan kontrol dan mesin. Secara umum pada rangkaian kontrol dol . Sistem kontrol elektromekanik & elektronik. Kita lihat bahwa arus yang masuk ke rangkaian kontrol ini berasal dari phase r. Apabila terjadi hubung singkat (short . Mengendalikan start stop motor menggunakan push button nc untuk stop, push button no untuk start. Setelah dari tombol stop pb, arus kemudian masuk ke tombol start pb. Sistem kontrol elektromekanik elektronik 151 teknik otomasi industri gambar 4. Troubleshooting rangkaian kontrol 7.1 dasar rangkaian kontrol dasar rangkaian kontrol digunakan pada berguna untuk starting, stopping, sequencing dan . Ambil lagi arus dari keluaran start 2 ke stop 3 dan diteruskan ke start 3 dan. Itu untuk merancang rangkaian kontrol ats, prinsip.

Apabila terjadi hubung singkat (short . Rangkaian kontrol start stop kontaktor #starstop #tutorial #cara #kontrol #rangkaian nc:normally close/tersambung biar tidak di . Troubleshooting rangkaian kontrol 7.1 dasar rangkaian kontrol dasar rangkaian kontrol digunakan pada berguna untuk starting, stopping, sequencing dan . Bisa sobat ingin membuat rangkaian sistem kontrol motor 3 fasa hidup mati . Untuk start dan stop genset jika pln padam dan pln menyala kembali.

Kita lihat bahwa arus yang masuk ke rangkaian kontrol ini berasal dari phase r. Rangkaian Sistem Kontrol Motor Listrik 3 Fasa Hidup Dan Mati Bergantian Mari Buat Wijdan Kelistrikan
Rangkaian Sistem Kontrol Motor Listrik 3 Fasa Hidup Dan Mati Bergantian Mari Buat Wijdan Kelistrikan from 4.bp.blogspot.com
Apabila terjadi hubung singkat (short . Sistem kontrol elektromekanik elektronik 151 teknik otomasi industri gambar 4. Ambil lagi arus dari keluaran start 2 ke stop 3 dan diteruskan ke start 3 dan. Bisa sobat ingin membuat rangkaian sistem kontrol motor 3 fasa hidup mati . Kita lihat bahwa arus yang masuk ke rangkaian kontrol ini berasal dari phase r. Troubleshooting rangkaian kontrol 7.1 dasar rangkaian kontrol dasar rangkaian kontrol digunakan pada berguna untuk starting, stopping, sequencing dan . Dasar rangkaian kontrol digunakan pada berguna untuk starting, stopping, sequencing dan pengaman pengunci otomatis peralatan kontrol dan mesin. Mengendalikan start stop motor menggunakan push button nc untuk stop, push button no untuk start.

Mengendalikan start stop motor menggunakan push button nc untuk stop, push button no untuk start.

Apabila terjadi hubung singkat (short . Itu untuk merancang rangkaian kontrol ats, prinsip. Ambil lagi arus dari keluaran start 2 ke stop 3 dan diteruskan ke start 3 dan. Secara umum pada rangkaian kontrol dol . Mengendalikan start stop motor menggunakan push button nc untuk stop, push button no untuk start. Troubleshooting rangkaian kontrol 7.1 dasar rangkaian kontrol dasar rangkaian kontrol digunakan pada berguna untuk starting, stopping, sequencing dan . Rangkaian kontrol start stop kontaktor #starstop #tutorial #cara #kontrol #rangkaian nc:normally close/tersambung biar tidak di . Sistem kontrol elektromekanik & elektronik. Setelah dari tombol stop pb, arus kemudian masuk ke tombol start pb. Kita lihat bahwa arus yang masuk ke rangkaian kontrol ini berasal dari phase r. Untuk start dan stop genset jika pln padam dan pln menyala kembali. Bisa sobat ingin membuat rangkaian sistem kontrol motor 3 fasa hidup mati . Dasar rangkaian kontrol digunakan pada berguna untuk starting, stopping, sequencing dan pengaman pengunci otomatis peralatan kontrol dan mesin.

Troubleshooting rangkaian kontrol 7.1 dasar rangkaian kontrol dasar rangkaian kontrol digunakan pada berguna untuk starting, stopping, sequencing dan . Setelah dari tombol stop pb, arus kemudian masuk ke tombol start pb. Ambil lagi arus dari keluaran start 2 ke stop 3 dan diteruskan ke start 3 dan. Kita lihat bahwa arus yang masuk ke rangkaian kontrol ini berasal dari phase r. Rangkaian kontrol start stop kontaktor #starstop #tutorial #cara #kontrol #rangkaian nc:normally close/tersambung biar tidak di .

Apabila terjadi hubung singkat (short . Wiring Diagram Rangkaian Star Delta Automatis Dan Manual Pdf
Wiring Diagram Rangkaian Star Delta Automatis Dan Manual Pdf from imgv2-1-f.scribdassets.com
Rangkaian kontrol start stop kontaktor #starstop #tutorial #cara #kontrol #rangkaian nc:normally close/tersambung biar tidak di . Sistem kontrol elektromekanik elektronik 151 teknik otomasi industri gambar 4. Untuk start dan stop genset jika pln padam dan pln menyala kembali. Itu untuk merancang rangkaian kontrol ats, prinsip. Troubleshooting rangkaian kontrol 7.1 dasar rangkaian kontrol dasar rangkaian kontrol digunakan pada berguna untuk starting, stopping, sequencing dan . Setelah dari tombol stop pb, arus kemudian masuk ke tombol start pb. Secara umum pada rangkaian kontrol dol . Dasar rangkaian kontrol digunakan pada berguna untuk starting, stopping, sequencing dan pengaman pengunci otomatis peralatan kontrol dan mesin.

Mengendalikan start stop motor menggunakan push button nc untuk stop, push button no untuk start.

Sistem kontrol elektromekanik elektronik 151 teknik otomasi industri gambar 4. Itu untuk merancang rangkaian kontrol ats, prinsip. Ambil lagi arus dari keluaran start 2 ke stop 3 dan diteruskan ke start 3 dan. Sistem kontrol elektromekanik & elektronik. Setelah dari tombol stop pb, arus kemudian masuk ke tombol start pb. Troubleshooting rangkaian kontrol 7.1 dasar rangkaian kontrol dasar rangkaian kontrol digunakan pada berguna untuk starting, stopping, sequencing dan . Bisa sobat ingin membuat rangkaian sistem kontrol motor 3 fasa hidup mati . Dasar rangkaian kontrol digunakan pada berguna untuk starting, stopping, sequencing dan pengaman pengunci otomatis peralatan kontrol dan mesin. Mengendalikan start stop motor menggunakan push button nc untuk stop, push button no untuk start. Kita lihat bahwa arus yang masuk ke rangkaian kontrol ini berasal dari phase r. Secara umum pada rangkaian kontrol dol . Untuk start dan stop genset jika pln padam dan pln menyala kembali. Rangkaian kontrol start stop kontaktor #starstop #tutorial #cara #kontrol #rangkaian nc:normally close/tersambung biar tidak di .

Rangkaian Kontrol Start Stop / Rangkaian Star Delta Manual Motor Listrik Induksi 3 Fasa / Bisa sobat ingin membuat rangkaian sistem kontrol motor 3 fasa hidup mati .. Apabila terjadi hubung singkat (short . Mengendalikan start stop motor menggunakan push button nc untuk stop, push button no untuk start. Rangkaian kontrol start stop kontaktor #starstop #tutorial #cara #kontrol #rangkaian nc:normally close/tersambung biar tidak di . Sistem kontrol elektromekanik elektronik 151 teknik otomasi industri gambar 4. Untuk start dan stop genset jika pln padam dan pln menyala kembali.

Posting Komentar untuk "Rangkaian Kontrol Start Stop / Rangkaian Star Delta Manual Motor Listrik Induksi 3 Fasa / Bisa sobat ingin membuat rangkaian sistem kontrol motor 3 fasa hidup mati ."